MID & EN 1434 Onaylı

Ultrasonik Isı Sayacı (Kalorimetre)

Yüksek hassasiyetli ultrasonik ölçüm teknolojisi ile enerji tüketiminizi en doğru şekilde ölçün. 3 farklı seri, 9 farklı çap seçeneği.

Ultrasonik Kalorimetre
3 Seri
9 Çap Seçeneği
Ortak Özellikler

Tüm Serilerde Standart

IP65

Suya ve toza karşı tam koruma

PN16/PS16

Yüksek basınç dayanımı

Sınıf 2

Yüksek doğruluk sınıfı

E1, M1, A

Ortam sınıfı uyumlu

Ürün Serileri

ARG Serisi Kalorimetreler

İhtiyacınıza uygun seriyi seçin

ARGOMET ARG Serisi

ARGOMET ARG serisi kalorimetreler, konut ve ticari uygulamalar için ideal çözüm sunar. Yüksek hassasiyet ve uzun ömür garantisi ile öne çıkar.

Çap Seçenekleri

DN15 DN20 DN25 DN32 DN40 DN50 DN65 DN80 DN100
Teklif Al
ARGOMET ARG-15 ARGOMET ARG-20 ARGOMET ARG-25

FLUXON ARG Serisi

FLUXON ARG serisi, gelişmiş akış ölçüm teknolojisi ile maksimum doğruluk sağlar. Endüstriyel uygulamalar için optimize edilmiştir.

Çap Seçenekleri

DN15 DN20 DN25 DN32 DN40 DN50 DN65 DN80 DN100
Teklif Al
FLUXON ARG-15 FLUXON ARG-20 FLUXON ARG-25

ASİSMET ARG Serisi

ASİSMET ARG serisi, kompakt tasarımı ve kolay kurulumu ile dikkat çeker. Site yönetimleri ve apartmanlar için ideal çözüm.

Çap Seçenekleri

DN15 DN20 DN25 DN32 DN40 DN50 DN65 DN80 DN100
Teklif Al
ASİSMET ARG-15 ASİSMET ARG-20 ASİSMET ARG-25
Teknik Çizimler

Ultrasonik Kalorimetre Gövde Çeşitleri

Her çap için detaylı teknik çizimler ve boyutlar

DN-15

G ¾" Bağlantı

DN-15 Teknik Çizim
Qn:0.6 - 1.5 m³/h
Qp:1.5 m³/h

DN-20

G 1" Bağlantı

DN-20 Teknik Çizim
Qn:1.5 - 2.5 m³/h
Qp:2.5 m³/h

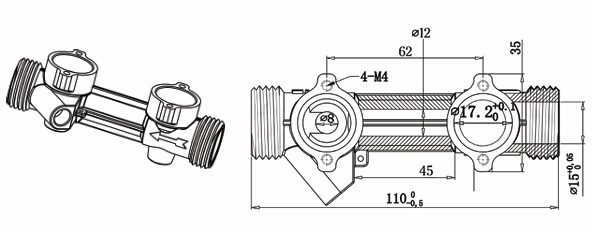
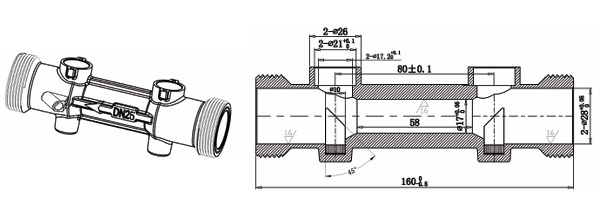
DN-25

G 1¼" Bağlantı

DN-25 Teknik Çizim
Qn:2.5 - 3.5 m³/h
Qp:3.5 m³/h

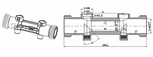
DN-32

G 1½" Bağlantı

DN-32 Teknik Çizim
Qn:3.5 - 6 m³/h
Qp:6 m³/h

DN-40

Flanş Bağlantı

DN-40 Teknik Çizim
Qn:6 - 10 m³/h
Qp:10 m³/h

DN-50

Flanş Bağlantı

DN-50 Teknik Çizim
Qn:10 - 15 m³/h
Qp:15 m³/h
Teknik Veriler

Çap ve Kapasite Tablosu

Model Çap (DN) Qn (m³/h) Bağlantı
ARG-15 DN15 0.6 - 1.5 G ¾"
ARG-20 DN20 1.5 - 2.5 G 1"
ARG-25 DN25 2.5 - 3.5 G 1¼"
ARG-32 DN32 3.5 - 6 G 1½"
ARG-40 DN40 6 - 10 Flanş
ARG-50 DN50 10 - 15 Flanş
ARG-65 DN65 15 - 25 Flanş
ARG-80 DN80 25 - 40 Flanş
ARG-100 DN100 40 - 60 Flanş

Neden Ultrasonik Kalorimetre?

Mekanik sayaçlara göre avantajları

Hareketli Parça Yok

Aşınma olmaz, bakım gerektirmez

10-12 Yıl Pil Ömrü

Uzun süreli kesintisiz çalışma

%99.9 Doğruluk

Yüksek hassasiyetli ölçüm

Uzaktan Okuma

M-Bus, LoRa desteği

Kolay Montaj

Yatay ve dikey kurulum

MID Onaylı

EN 1434 sertifikalı

Kalorimetre için Teklif Alın

Projenize uygun kalorimetre çözümleri için uzman ekibimizle iletişime geçin.

Diğer Ürünlerimiz